Ferromatik Milacron Plastifiziereinheit IU1540, Ø 60 mm, nitriert
Produktinformationen "Ferromatik Milacron Plastifiziereinheit IU1540, Ø 60 mm, nitriert"
Ferromatik Milacron Plastifiziereinheit IU1540, Ø 60 mm
- entnommen aus Ferromatik FM MV 275
- aus laufender Maschine entnommen
- voll funktionsfähig
- nitriert
- Hubvolumen: 792 cm³
- Einspritzdruck: 1942 bar
- Spritzteilgewicht max. PS: 681 g
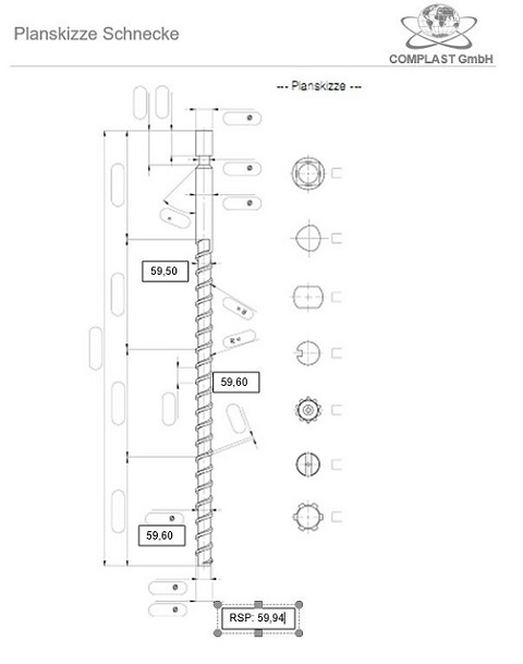
- Schnecke: E: 59,50 mm, A: 59,60 mm, RSP: 59,94 mm
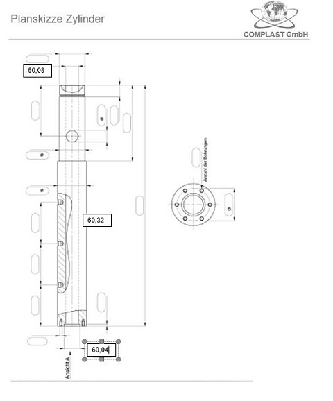
- Zylinder: E: 60,08 mm, A: 60,04 mm
Hersteller: Ferromatik Milacron
Typ: IU1540
| Zustand: | gebraucht | 
|---|
 
                                                                         
                                                                                                                                                                                                                             
                                                                                                                                                                                                                             
                                                                                                                                                                                                                            